eind 2025: Faller AMS vierde ronde!

(update 14 dec 2025)


T'is weer binnenhobbytijd, nog zoiets dat altijd al jeukt: een automatisch werkende kruising met stoplichten.

Uiteraard was daar in de AMS tijd al wat voor maar erg duur (nog steeds en nu ook zeldzaam). Tevens nogal primitief - motortje met contactslepers - en niet conform het nederlandse 'seinbeeld' maar simpelwerg rood-oranje-groen-oranje-rood.

folder 1965

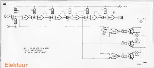
In de elektuur van jun 1978 stond al een oplossing met handenvol cmos nand poortjes, torren etc. mja, dat gaat bij mij meestal niet goed zoveel verbindingen.

CMOS oplossing, ook nog eens tweemaal nodig..

Anno nu is er een mooiere optie namelijk het Arduino microcomputerboardje. Had ik toevallig eentje van gekregen via het werk maar nooit wat mee gedaan (1 jaar leercurve werd me gezegd). Toch maar even inlezen op t net. Blijkt voor deze ultrasimpele toepassing wel mee te vallen, in feite gebruik je alleen 6 digitale outputs en wat regels schakelcode plus pauzes. Ding is zwaar overkill maar ik had hem voor niks :-)

Aldus geschiedde, 6 ledjes op de uitgangen en programmeren maar. makkie natuurlijk. Alleen waarom er nou weer C+ wordt gebruikt ipv het gangbare GWbasic of Pascal? Het is toch een compiler, maakt dus niks uit in geheugenruimte.

test

Stoplichtjes geknooid van wat sloopledjes en MB stekkertjes, paar reepjes flatcable, andere weerstandjes, OK werkt. Nog twee 5V relaisjes erbij om de stopstroken te schakelen. En dan alles aan een gemodificeerde AMS kruising gehangen.

n' kruuske

So far so good. Nou nog een achtje eraanknuppen om twee autogies vanzelf te laten rijden. Je zou zelfs de schakeling naderingsafhankelijk kunnen maken (op zijn enschedees: groen, auto nadert - rood, auto staat een seconde stil - groen) dat kost 4 fototorren en een paar regels code extra.

elektrische dafs op schaal

De mercedi rijden toch beter, proefachtje gelegd en bedraad:

http://gromsound.mfbfreaks.com/buf/amsstopl1.mp4


Next! de koningsklasse in AMS : een rotonde (kreisverkehr) met werkende afslagen.

Daar was ik 2 jaar terug al aan begonnen, baanstukken fabriceren inclusief elektromagnetische afslag. Ze moesten alleen nog elektrisch worden doorverbonden en getest met rijdende autos. statisch werkte het al.

============ (terugblik 2023) :

het basisidee zagen maar

plamuur gesloopt relaisje

zo dan: drie aftakkingen. een geduwd autootje liep er prima doorheen. pauze.

============ het vervolg in 2025:

elektrisch doorverbinden test

en jawel het loopt ook nog! dit is reuze leuk te combineren met de stoplichtkruising van hierboven. zal wel halvegolf rijden moeten worden want ze komen via de rotonde in elkaars spoor. so far so good.

Doen we er ook nog een fullsize verkeersplein bij, passief dus gewoon 4x 'eerste-afslag-rechts':

zaag&plak hoppa.

daarmee kan je max 4 stroomkringen DC rijden zonder conflicten. dus samen met de stoplichtkruising automatisch 3 of 4 autos tegelijk. beetje afhankelijk van de baanfiguur, met louter tweespoors stukken is het max 3 autos, teken maar uit: 2 kleine binnenlusjes en 1 grote buitenom. even testen:

http://gromsound.mfbfreaks.com/buf/dafjesgalore.mp4 doettet!

nou we toch weer bezig zijn de kaduke 'tweemaal linksaf' repareren. de originele fallerspoel vervangen door het kleinste slooprelaisje dat ik had. ingeplamuurd en afgesteld, het lijkt weer te werken. de zelfbouw kant blijft rot terugstellen, veel geprobeerd oa de wegsleuven bijgewerkt.

repa spoel 2 x linksaf

het is nog niet 100% betrouwbaar. anderen bouwen er spoorwegwisselspullen onder dat is vermoedelijk een beter idee maar dan moet je wel handmatig het ding terugzetten na passage dat is minder handig dan het geniale zelfresettende origineel.

testbaantje met dubbele inhaalstrook, leuk voor laturrr.

In plaats van de kaduke afslag-rechts een passief Y-stuk gekleid tbv de combinatie 3pits rotonde met kruising. gewoon van wat overgebleven zaagresten van hierboven en een 3e keus recht stuk. er is nog genoeg in voorraad.

ei-Y.. een dubbele Y is iets meer werk.

rechtsonder weer een wisseltong en dan kunnen we eindelijk het op pagina 1 reeds bedachte klaverblad-afslagje maken. halvegolf mode only want ze komen ook hiermee in elkaars spoor.

klavertje twee werkende wisseltong.

helaas 1x linksaf te weinig.. 2x links dan maar tijdelijk terugbouwen.

Test 1, 2: http://gromsound.mfbfreaks.com/buf/amssplitsing.mp4.

Oke, nu de rotonde nog in vol bedrijf testen:

http://gromsound.mfbfreaks.com/buf/amsrotonde2.mp4

mooi, doettetook. kunnen we zo langzamerhand de hele handel combineren tot de 'grote trucbaan 2025'.

dagje timmeren later..

loopt! alleen zonder de actieve rotonde, daar klapten ze toch steeds op vast. dus dan maar de passieve rotonde aangepast:

http://gromsound.mfbfreaks.com/buf/trucbaan25.mp4

.

 


retour: suboverig.htm

© Gromsound 2025